Aici cursanti pot expune ce nelamuri sau intrebari au legat de cursul Electricieni
-
-
- Mesaje: 33
- Membru din: Lun Dec 02, 2019 6:24 pm
- Localitate: Bucuresti
-
de Halmai.Mircea » Lun Dec 02, 2019 6:44 pm
Pentru Laurentiu contactor motor trifazat
- Fişiere ataşate
-

- Pornire motor asincron trifazat
- Pornire motor asincron trifayat .jpg (41.75 KiB) Vizualizat de 2022 ori
-
-
- Mesaje: 33
- Membru din: Lun Dec 02, 2019 6:24 pm
- Localitate: Bucuresti
-
de Halmai.Mircea » Lun Dec 02, 2019 7:08 pm
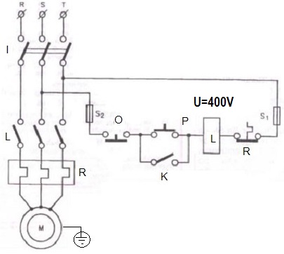
Pentru Bogdan comutator pornit oprit motor asincron trifazat 3x400V
- Fişiere ataşate
-

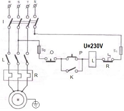
- contactor cu bobina U=230V.
- contactor cu bobina U=230V.jpg (43.26 KiB) Vizualizat de 2008 ori
-

- comutator motor asincron pornit oprit
- comutator motor asincron pornit oprit .jpg (21.71 KiB) Vizualizat de 2019 ori
-
-
- Mesaje: 45
- Membru din: Sâm Oct 03, 2020 9:19 pm
- Localitate: Moara veche
-
de AlcanuNae » Sâm Oct 03, 2020 9:48 pm
am invatat sa folosim un comutator pornit oprit motor asincron trifazat 3x400V
Înapoi la Intrebari, Nelamuri, Sugestii legate de cursul de Electricieni
Cine este conectat
Utilizatorii ce navighează pe acest forum: Niciun utilizator înregistrat şi 1 vizitator