Acum este Dum Apr 26, 2026 2:37 pm

forum.cursuridecalificareacreditate.ro

Forum Tehnic : Frigotehnisti ,Instalatori ,Electricieni si Sisteme Fotovoltaice

Programatoare electronice de temperatura

Aici cursanti pot expune ce nelamuri sau intrebari au legat de cursul de Frigotehnie
 
Mesaje: 248
Membru din: Mie Mar 21, 2018 3:51 pm

Re: Programatoare electronice de temperatura

Mesaj de RosuFlorian » Lun Sep 07, 2020 11:29 pm

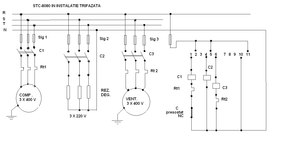
Exemplu de schema cu programator STC-8080 intr-o instalatie trifazata atunci cand consumatorii depasesc puterea consumata din specificatiile programatorului.
Fişiere ataşate
Schema electrica trifazata cu STC-8080 by Rosu Florian.JPG
Schema electrica trifazata cu STC-8080 by Rosu Florian.JPG (122.5 KiB) Vizualizat de 3779 ori

 
Mesaje: 248
Membru din: Mie Mar 21, 2018 3:51 pm

Re: Programatoare electronice de temperatura

Mesaj de RosuFlorian » Mar Sep 08, 2020 12:25 am

Exemplu de schema cu programator STC-8080 intr-o instalatie frigorifica trifazata, unde degivrarea se face cu gaze calde.
Fişiere ataşate
Schema electrica trifazata cu STC-8080, deg. cu gaze calde by Rosu Florian.JPG
Schema electrica trifazata cu STC-8080, deg. cu gaze calde by Rosu Florian.JPG (62.38 KiB) Vizualizat de 3779 ori

 
Mesaje: 248
Membru din: Mie Mar 21, 2018 3:51 pm

Re: Programatoare electronice de temperatura

Mesaj de RosuFlorian » Mie Sep 09, 2020 8:29 am

Am ales programatorul STC-8080 in scheme pentru ca este un aparat foarte usor de programat si adaptat in instalatiile frigorifice, mai ales in cazul lazilor de congelare sau refrigerare orizontale. Acolo unde este nevoie de a doua sonda, adica in vaporizator, se va folosi un programator cu doua sonde.
Fişiere ataşate
STC-8080 Adaptat la o lada de congelare. By Rosu Florian.JPG
STC-8080 Adaptat la o lada de congelare. By Rosu Florian.JPG (50.79 KiB) Vizualizat de 3771 ori

 
Mesaje: 248
Membru din: Mie Mar 21, 2018 3:51 pm

Re: Programatoare electronice de temperatura

Mesaj de RosuFlorian » Vin Sep 11, 2020 7:55 pm

Aceste programatoare se pot folosi in foarte multe instalatii electrice si pot comanda pompe, aeroterme, compresoare si dezumidificatoare de aer comprimat. In schema de mai jos am folosit un releu intermediar monopolar SSR.
Fişiere ataşate
STC-8080 in comanda unei aeroterme by Rosu Florian.JPG
STC-8080 in comanda unei aeroterme by Rosu Florian.JPG (81.38 KiB) Vizualizat de 3753 ori

 
Mesaje: 248
Membru din: Mie Mar 21, 2018 3:51 pm

Re: Programatoare electronice de temperatura

Mesaj de RosuFlorian » Vin Sep 11, 2020 8:54 pm

Comanda si forta prin SSR-uri tripolare comandate de programatorul STC-8080.
Fişiere ataşate
STC-8080 in instalatie trifazata ce comanda trei SSR-uri tripolare. By Rosu Florian..JPG
STC-8080 in instalatie trifazata ce comanda trei SSR-uri tripolare. By Rosu Florian..JPG (67.65 KiB) Vizualizat de 3752 ori

 
Mesaje: 248
Membru din: Mie Mar 21, 2018 3:51 pm

Re: Programatoare electronice de temperatura

Mesaj de RosuFlorian » Joi Sep 17, 2020 11:32 pm

Exemplu de schema de pornire a unui motor asincron trifazat cu releu intermediar si lampi de semnalizare. In aceasta instalatie electrica nu se foloseste nulul de lucru, deoarece transformatorul este alimentat intre cele doua faze R si S, ca si bobina contactorului C1, doar ca aceasta este inseriata cu contactul NO al releului intermediar. Partea de comanda este alimentata la 24Vca. Astfel de instalatii se folosesc acolo unde operatorul butoanelor lucreaza in mediu umed, indusria alimentara, abatoare, statii de pompare...etc. Releul intermediar face aceasta trecere de la 380V la 24V. L1 este lampa de semnalizare motor pornit, L2 este lampa de semnalizare motor oprit, L3 este lampa ce semnalizeaza o avarie, aceasta este inseriata cu contactul NO al releului termic Rt1. Atunci cand motorul are un consum de curent mai mare decat reglajul releului termic, contactul NC Rt1 se deschide si se inchide contactul NO Rt1, alimentand lampa L3. Am sa descriu fiecare componenta in parte mai pe larg.
Fişiere ataşate
119884007_808009039963030_4143770043138413708_n.jpg
Componentele schemei electrice.
119884007_808009039963030_4143770043138413708_n.jpg (62.58 KiB) Vizualizat de 3720 ori
Pornirea intr-un singur sens a motorului asincron trifazat cu releu intermediar si lampi semnalizatoare,  de Rosu Florian.JPG
Pornirea intr-un singur sens a motorului asincron trifazat cu releu intermediar si lampi semnalizatoare, de Rosu Florian
Pornirea intr-un singur sens a motorului asincron trifazat cu releu intermediar si lampi semnalizatoare, de Rosu Florian.JPG (62.26 KiB) Vizualizat de 3729 ori

 
Mesaje: 248
Membru din: Mie Mar 21, 2018 3:51 pm

Re: Programatoare electronice de temperatura

Mesaj de RosuFlorian » Vin Sep 18, 2020 7:36 pm

SIGURANTA. Dupa denumire ne dam seama ca aceasta componenta are rol de protectie in instalatia electrica. Sigurantele sunt de mai multe feluri, sigurante cu fuzibil si sigurante automate monopolare, bipolare, tripolare si tetrapolare. Siguranta cu fuzibil se gaseste in toate domeniile, de la uz casnic, cablaje electronice, industrie si pana la stalpii de inalta tensiune si pot avea puteri de la 0,25mA la cateva mii de Amperi cele in curent continuu. Siguranta automata este mult mai rapida in "detectarea si decuplarea" curentului maxim calibrat ce o strabate, fata de cea cu fuzibil.
Fişiere ataşate
Siguranta tripolara, schema de Rosu Florian..JPG
Siguranta tripolara, schema de Rosu Florian
Siguranta tripolara, schema de Rosu Florian..JPG (48.79 KiB) Vizualizat de 3720 ori

 
Mesaje: 248
Membru din: Mie Mar 21, 2018 3:51 pm

Re: Programatoare electronice de temperatura

Mesaj de RosuFlorian » Vin Sep 18, 2020 9:33 pm

Contactoarele sunt de doua feluri, active (cele electromagnetice) si pasive ( cele cu semiconductori SSR ). Voi prezenta contactorul activ ,deoarece este o componenta frecvent intalnita in instalatiile electrice si functioneaza pe principiul electromagnetismului. Contactoarele sunt de marimi, puteri si tensiuni de alimentare diferite, de curent continuu sau alternativ. Principiul de functionare este destul de simplu, are la baza un electromagnet format dintr-o bobina si doua miezuri de fier in forma de E, ce sunt tinute la distanta prin intermediul unui arc. Cand bobina este alimentata la tensiunea specificata la bornele A1 si A2, intre cele doua armaturi de fier, una fixa si una mobila, se creeaza un camp electromagnetic de atractie, cuplandu-se, invingand forta resortului aflat intre ele. Pe armatura mobila, izolate unul fata de celelalt se afla contactele mobile de forta si comanda in pozitia NO, iar atunci cand armaturile de fier sunt lipite contactele devin NC. Armatura fixa are doua spire de scurtcircuitare de camp magnetic, aceste spire se intalnesc doar la contactoarele de curent alternativ si au rolul de a inlatura vibratiile date de frecventa tensiunii de alimentare. Contactoarele electromagnetice mai pot fi echipate cu contacte auxiliare NO sau NC, in functie de complexitatea instalatiei.
Fişiere ataşate
CONTACTOR..JPG
CONTACTOR..JPG (47.67 KiB) Vizualizat de 3719 ori
119862267_804688490357467_5703032538812017521_n.jpg
Armatura de fier fixa si bobina.
119862267_804688490357467_5703032538812017521_n.jpg (62.28 KiB) Vizualizat de 3719 ori
119886822_338235784187434_1103623431952591113_n.jpg
Contactor demontat.
119886822_338235784187434_1103623431952591113_n.jpg (92.98 KiB) Vizualizat de 3719 ori
119859556_2806039813012716_216907862603284346_n.jpg
Bobina fiind alimentata armaturile de fier sunt cuplate.
119859556_2806039813012716_216907862603284346_n.jpg (126.63 KiB) Vizualizat de 3719 ori
119816530_336638317676332_2192225163359801819_n.jpg
Armatura fixa are doua spire de scurtcircuitare de camp magnetic.
119816530_336638317676332_2192225163359801819_n.jpg (62.42 KiB) Vizualizat de 3719 ori
119787213_380677336675262_6776343688136282545_n.jpg
Bobina nefiind alimentata armaturile de fier sunt decuplate.
119787213_380677336675262_6776343688136282545_n.jpg (127.1 KiB) Vizualizat de 3719 ori
119703422_3352739761617867_412569834875698831_n.jpg
Specificatie de alimentare bobina intre bornele A1 si A2.
119703422_3352739761617867_412569834875698831_n.jpg (78.64 KiB) Vizualizat de 3719 ori
Ultima oară modificat de RosuFlorian pe Sâm Sep 19, 2020 12:02 am, modificat 1 dată în total.

 
Mesaje: 248
Membru din: Mie Mar 21, 2018 3:51 pm

Re: Programatoare electronice de temperatura

Mesaj de RosuFlorian » Sâm Sep 19, 2020 12:00 am

Releul termic de protectie împotriva suprasarcinii, are rolul de a proteja motorul atunci cand consumul de curent absorbit depaseste curentul de lucru inscris pe placuta de identificare. Acest consum poate apare atunci cand la arborele motorului este o sarcina mult prea mare, daca tensiunea de alimentare este prea mica, o bobina a motorului are spire strapate sau una din faze lipseste. Principiul de functionare:- in interiorul releului termic sunt trei lamele bimetalice, cate o lamela pentru fiecare faza in parte. BIMETAL- din denumire ne dam seama ca este vorba de doua metale, aceste metale sunt din materiale diferite, iar la trecerea unui curent mai mare decat cel reglat lamelele se incalzesc, iar unul din metale se dilata mai mult decat celalalt, prin urmare lamelele se inconvoaie actionand parghia cu contactele auxiliare de comanda.
Fişiere ataşate
Releu termic de protectie la suprasarcina. De Rosu Florian..JPG
Releu termic de protectie la suprasarcina. De Rosu Florian
Releu termic de protectie la suprasarcina. De Rosu Florian..JPG (49.87 KiB) Vizualizat de 3716 ori
Releu termic de protectie la suprasarcina. De  Rosu Florian..JPG
Releu termic de protectie la suprasarcina. De Rosu Florian
Releu termic de protectie la suprasarcina. De Rosu Florian..JPG (60.7 KiB) Vizualizat de 3716 ori
releul termic de protecţie împotriva suprasarcinii.JPG
releul termic de protecţie împotriva suprasarcinii.
releul termic de protecţie împotriva suprasarcinii.JPG (57.12 KiB) Vizualizat de 3716 ori
119948181_346361609743514_1989527477414964719_n.jpg
Bornele de legatura intre releu si contactor.
119948181_346361609743514_1989527477414964719_n.jpg (74 KiB) Vizualizat de 3716 ori
119787504_359795415399565_8369560748866313058_n.jpg
119787504_359795415399565_8369560748866313058_n.jpg (93.08 KiB) Vizualizat de 3716 ori

 
Mesaje: 248
Membru din: Mie Mar 21, 2018 3:51 pm

Re: Programatoare electronice de temperatura

Mesaj de RosuFlorian » Sâm Sep 19, 2020 7:53 am

Releul intermediar electromagnetic are acelasi principiu de functionare ca si contactorul, doar ca nu suporta curenti mari, alimentarea bobinei se realizeaza la bornele A1 si A2 cu tensiunea specifica inscriptionata, ce poate fi de 12/ 24/ 48/110/ 220 sau 380V. Releele sunt de curent continuu sau alternativ, au mai multe randuri de contacte NO si NC cu o borna comuna COM. Releul intermediar se foloseste in instalatiile electrice unde se folosesc:- trecerile de la o tensiune la alta ( ex. de la 220V la 24V sau 380V );- trecerea de la curent alternativ la curent continuu si vice-versa;- contacte de automentinere, de interblocaj sau de semnalizare.
Fişiere ataşate
119895214_1058785704571495_1907585624121726476_n.jpg
119895214_1058785704571495_1907585624121726476_n.jpg (82.44 KiB) Vizualizat de 3712 ori
119922812_322772972144215_8369727159941048581_n.jpg
119922812_322772972144215_8369727159941048581_n.jpg (60.99 KiB) Vizualizat de 3712 ori
119888914_645902939398553_2462951469011596718_n.jpg
119888914_645902939398553_2462951469011596718_n.jpg (81.75 KiB) Vizualizat de 3712 ori
119876861_646649209579886_6982445569280158792_n.jpg
Releu cu soclu si specificatiile de legare la borne.
119876861_646649209579886_6982445569280158792_n.jpg (69.66 KiB) Vizualizat de 3712 ori

AnteriorUrmătorul

Înapoi la Intrebari, Nelamuriri, Sugestii legate de cursurile de Frigotehnist

Cine este conectat

Utilizatorii ce navighează pe acest forum: Niciun utilizator înregistrat şi 1 vizitator