Acum este Mar Apr 21, 2026 2:39 am

forum.cursuridecalificareacreditate.ro

Forum Tehnic : Frigotehnisti ,Instalatori ,Electricieni si Sisteme Fotovoltaice

Testare 1.3

Aici cursanti pot expune ce nelamuri sau intrebari au legate de cursul de Instalatii :Maistru instalator,Tehnician instalator ,instalator
Avatar utilizator
 
Mesaje: 597
Membru din: Dum Feb 23, 2014 8:51 am
Localitate: Bucuresti

Testare 1.3

Mesaj de Ing. Olteanu Mircea » Mie Ian 06, 2016 12:13 pm

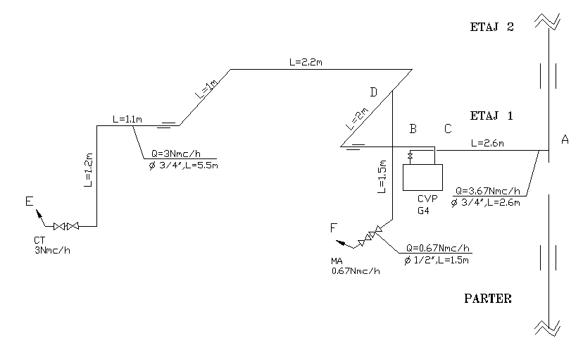
Se da schema izometrica de mai jos ,stabiliti necesarul de materiale Contorul G4 vine comp echipat :Cont ,placa etc
Fişiere ataşate
Izom Gaze.JPG
Izometrica gaze
Izom Gaze.JPG (62.17 KiB) Vizualizat de 10018 ori
Lector Inginer Olteanu Mircea
Formator si Indrumator Cursuri de Calificare Frigotehnisti,Instalatori si Electricieni
http://www.cursuridecalificareacreditate.ro
http://www.cursurifrigotehnisti.ro/

Avatar utilizator
 
Mesaje: 15
Membru din: Mar Mai 09, 2017 11:52 am

Re: Testare 1.3

Mesaj de Gaby 21 » Mar Mai 09, 2017 12:08 pm

Pai ii faceti ingineri cu asa scheme si intrebari ?


Avatar utilizator
 
Mesaje: 32
Membru din: Dum Iun 18, 2017 10:54 am

Re: Testare 1.3

Mesaj de AntonMihai » Dum Iun 18, 2017 11:23 am

O sa dati si la instalatori 13 testari ca la electricieni ? invatam si statii de pompare


Avatar utilizator
 
Mesaje: 21
Membru din: Dum Sep 24, 2017 7:45 pm

Re: Testare 1.3

Mesaj de GaftonVasile » Dum Sep 24, 2017 8:36 pm

Sper sa predați si la anul cursul de instalații sanitare canalizare si gaze cuplat cu încălziri

Avatar utilizator
 
Mesaje: 12
Membru din: Sâm Mai 19, 2018 7:36 am

Re: Testare 1.3

Mesaj de CotezV » Sâm Mai 19, 2018 7:38 am

testarile de la instalatori sunt durere

Avatar utilizator
 
Mesaje: 515
Membru din: Lun Mai 08, 2017 12:11 pm

Re: Testare 1.3

Mesaj de Organizator Cursuri » Lun Mai 28, 2018 5:10 pm

Corcodel scrie:testarile de la instalatori sunt durere

Suntem renumiti pentru exigenta

Avatar utilizator
 
Mesaje: 28
Membru din: Mar Iun 26, 2018 3:09 pm
Localitate: Mosteni

Re: Testare 1.3

Mesaj de Serban » Mar Iun 26, 2018 3:29 pm

nici in postliceala nu invata asa ceva

Avatar utilizator
 
Mesaje: 33
Membru din: Sâm Sep 07, 2019 10:46 am
Localitate: Bucuresti

Re: Testare 1.3

Mesaj de GagiuFlorin » Sâm Sep 07, 2019 11:59 am

nici pe la ingineri nu stiu schema coloanelor

Următorul

Înapoi la Intrebari, Nelamuriri, Sugestii legate de cursurile de Instalator

Cine este conectat

Utilizatorii ce navighează pe acest forum: Niciun utilizator înregistrat şi 2 vizitatori